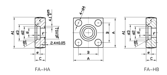
船用方法兰

网站当前位置:网站首页 > 产品展示